- Главная
- Статьи
- Гидравлические системы
- Гидросистема с распределителями...
Гидросистема с распределителями последовательного включения
Если удлинить магистраль слива первого гидравлического распределителя простой гидросистемы, установив на ней один или несколько распределителей, то мы получим так называемое последовательное включение.
При последовательном включении необходимо, чтобы сила и скорость включаемых одновременно потребителей регулировалась.
Точнее говоря, дело обстоит следующим образом. Чтобы привести в движение гидроцилиндр 2, необходимо давление, соответствующее силе подъема и площади поршня. Это давление действует на кольцевую поверхность поршня цилиндра 1. Действующее на цилиндр 1 давление складывается из внешнего усилия, действующего на шток поршня, и давления, состоящего из давления, действующего на цилиндр 2, и площади кольцовой поверхности поршня цилиндра 1.
Если давление, действующее на цилиндр 1, больше суммы действующих сил, то оба гидроцилиндра выдвигаются. Отношение скоростей движения гидроцилиндров 1 и 2 пропорционально отношению плошади поршня цилиндра 2 к кольцевой поверхности цилиндра 1.
Циркулирующая гидравлическая жидкость через фильтр сливается в бак.

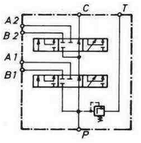
Принципиальная схема включения распределителей
Пожалуйста, укажите интересующие Вас модели в сообщении и наши менеджеры с Вами свяжутся в ближайшее время.


