20 октября 2025 г.
Эффективный такелаж: гидравлические толкатели 2ТШ для перемещения тяжеловесного оборудования
На фото: с помощью 2ТШ25Г600 перемещают трансформатор весом 330 тонн
Представляем решение для такелажных работ: перемещения крупногабаритного, тяжеловесного оборудования и конструкций по железнодорожным рельсам: гидравлические толкатели 2ТШ в комплекте со специальной двухпортовой насосной станцией с ручным управлением.

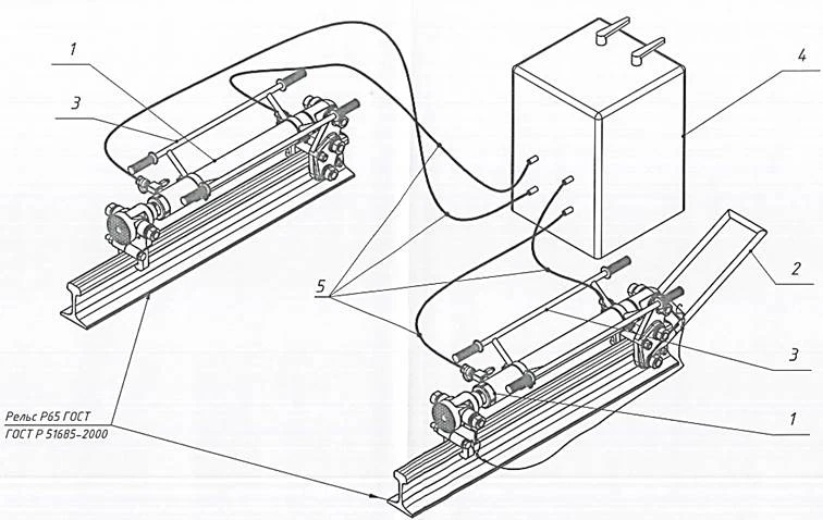
На фото: схематический чертеж системы из толкателей 2ТШ и гидравлической насосной станции: 1) Толкатели 2ТШ; 2 и 3) Ручки для перемещения по рельсе; 4) Схематическое изображение гидравлической насосной станции; 5) Рукава высокого давления.
Гидравлические толкатели предназначены для горизонтального перемещения крупногабаритного, тяжеловесного оборудования по рельсам при монтаже, ремонте, аварийно-восстановительных и строительно-монтажных работах.
Рельсовые гидравлические толкатели 2ТШ: конструкция и принцип работы

На фото: конструкция толкателей 2ТШ
Толкатели 2ТШ представляют собой пару идентичных гидравлических механизмов, включающих:
- Гидроцилиндр с гидравлическим возвратом штока.
- Упор для контакта с перемещаемым оборудованием
- Передний упор для фиксации при обратном ходе.
- Задний упор шагового толкателя с механизмом заклинивания на рельсе.
Технические особенности и преимущества:
- Автоматическое заклинивание упора: задний упор шагового толкателя фиксируется на рельсе рычагами с зубчатыми вставками, предотвращая проскальзывание. Передний упор оснащен поворотными фиксирующими скобами.
- Универсальность: рабочее давление гидросистемы 70МПа позволяет использовать насосную станцию для других задач (например, работы с гидравлическими домкратами).
- Удобство эксплуатации: конструкция предусматривает ручку для перемещения толкателя вдоль рельса и возможность снятия с рельса в любом месте.
- Равномерное перемещение: в качестве гидравлического привода толкателей используется двухпортовая насосная станция 2НЭР-2,0П20Т1-2ТШ25, которая обеспечивает синхронную работу толкателей и исключает перекосы груза за счет регулировки потока рабочей жидкости.

На фото: 2НЭР-2,0П20Т1-2ТШ25
Технические характеристики насосной станции для толкателей 2ТШ
|
Наименование параметра |
Значение |
|
Объем насоса рабочий, см3/об |
0,64 |
|
Давление номинальное, МПа (бар) |
70(700) |
|
Подача насоса номинальная при номинальной частоте вращения вала приводного электродвигателя, л/мин |
2,0 |
|
Рабочая жидкость (РЖ) |
Масло всесезонное гидравлическое: ВМГЗ ТУ 38.101479-86; |
|
Вязкость кинематическая при 40°С, мм2/с (сСт) |
13,5÷16,5 |
|
Объем бака, л |
20 |
|
Диапазон рабочих температур РЖ |
От минус 10 до плюс 50 |
|
Привод насоса |
Трехфазный (Однофазный) асинхронный электродвигатель (N=2,2 кВт; n= 2865 об/мин; U=380В(220В)/50Гц, IP54) |
|
Присоединительные размеры линий внешних гидравлических выходов |
Гнездо К 3/8" ГОСТ 6111-52 (2 шт.) |
|
Габариты станции, мм, не более: длина ширина высота |
600 340 750 |
|
Масса сухая, кг |
50±8 |
Принцип перемещения трансформатора толкателем:
- Гидроцилиндр толкателя выдвигает шток, заклинивая задний упор на рельсе.
- Упор на штоке толкает трансформатор.
- При обратном ходе поршня передний упор фиксируется, задний упор освобождается.
- Толкатель перемещается в исходное положение, совершая шаг.
- Цикл повторяется.
Технические характеристики толкателей 2ТШ25Г600:
|
Наименование параметра |
Значение |
|
|
Номинальное давление, МПа |
65 |
|
|
Номинальная грузоподъёмность, тс |
25х2 |
|
|
Ход поршня h, мм |
600 |
|
|
Габаритные размеры, LxBxH, мм |
1992х250х330 |
|
|
Масса: общая (одного толкателя), кг |
110 |
|
|
Масса толкаемого груза по рельсам «на сухую» (коэффициент трения С=0,15), т (двумя толкателями) |
200 |
|
|
Масса толкаемого груза по рельсам со смазкой (коэффициент трения С=0,1), т (двумя толкателями) |
350 |
|
|
Масса толкаемого груза по рельсам на колесах (коэффициент трения С=0,05), т (двумя толкателями) |
1000 |
Практический опыт применения:
Гидравлические рельсовые толкатели 2ТШ в энергетической отрасли применяются для:
- Выгрузки трансформаторов и реакторов с ж/д и транспортных платформ.
- Перегрузки на транспортеры.
- Транспортировки к месту установки.
Система позволяет отказаться от полиспастов, тракторов и сооружения якорей, упрощая и ускоряя процесс монтажа.
Видеодемонстрация работы толкателей:
Видео демонстрирует процесс перемещения тяжеловесного оборудования (трансформатора массой 330 т) с использованием гидравлических толкателей Энерпром.
Видеодемонстрация работы толкателей
Заключение:
Гидравлические рельсовые толкатели 2ТШ, сокращая время такелажных работ и повышая их безопасность, позволяют точно управлять перемещением груза, минимизируя риск повреждения оборудования, и могут применяться в полевых условиях.
Ваш персональный менеджер по толкателям Виктор:
-
- Телефон: +7 (3952) 50-71-71
- E-mail: nippon@enerprom.ru
В рубрике: Новости
Пожалуйста, укажите интересующие Вас модели в сообщении и наши менеджеры с Вами свяжутся в ближайшее время.
