
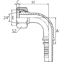
- Уплотнение конусом 24°;
- E20591 применять для оплеточных рукавов, Е20592 – для навивочных рукавов;
- Т – накидная гайка, W – гайка со стопорным кольцом, D – гайка с мелкой резьбой, без букв – гайка опрессованная.

Пожалуйста, укажите интересующие Вас модели в сообщении и наши менеджеры с Вами свяжутся в ближайшее время.