Серия H (5 моделей привода от 262 до 48481 Нм, 70МПа, размер под ключ от 19 до 175 мм)
Основные характеристики гайковертов серии H
- Максимальное рабочее давление — 70 МПа.
- Точность крутящего момента составляет ±5%.
- 5 различных моделей с крутящим моментом от 262 до 48481 Нм.
- Низкопрофильный дизайн для доступа в ограниченные зоны.
- Подвод рабочей жидкости от гидравлической станции осуществляется через поворотное шарнирное соединение, вращающееся на 360°.
|
Модель привода |
Крутящий момент |
Размер «под ключ» |
Масса привода кг |
Масса кассеты макс., кг |
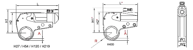
Размеры, мм |
|||||
|
Нм |
мм |
L |
H1 |
H2 |
W1 |
W2 |
A |
|||
|
H27 |
262—2625 |
19—46 |
0. 9 |
1.8 |
193 |
125 |
97 |
32 |
51 |
10—15 |
|
306—3068 |
50—60 |
193 |
136 |
108 |
32 |
51 |
10—11 |
|||
|
H54 |
537—5372 |
27—65 |
1.9 |
3.8 |
250 |
158 |
125 |
41 |
64 |
11—19 |
|
603—6037 |
70—80 |
250 |
169 |
136 |
41 |
64 |
11. 7—12 |
|||
|
H120 |
1173—11737 |
50—80 |
3.4 |
8.4 |
310 |
189 |
157 |
52 |
78 |
15—15. 2 |
|
1434—14349 |
85—105 |
310 |
214 |
182 |
52 |
78 |
16—22 |
|||
|
H210 |
2121—21216 |
70—100 |
5.9 |
13.8 |
378 |
223 |
191 |
64 |
97 |
8—21 |
|
2312—23124 |
105—120 |
378 |
236 |
204 |
64 |
97 |
18—24 |
|||
|
H430 |
4379—43792 |
80—117 |
16.1 |
30 |
405 * |
291 * |
242 * |
83 |
93 |
25—31 * |
|
4848—48481 |
120—175 |
425 * |
309 * |
260 * |
83 |
93 |
25—34 * |
|||
